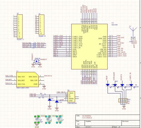
Sim800C Circuit Diagram

Sim800C Circuit Diagram. We have written the code so that after the esp32 is initialized it checks the module is working and gives the output in. Web click on a date/time to view the file as it appeared at that time.

SIM800C EasyEDA open source hardware lab
SIM800C EasyEDA open source hardware lab from oshwlab.com

With the help of this document and other sim800c. Based on mtk and rf. Sim800c designed by simcom is a quad band module which supports gsm/gprs.

Web The Sim800C Module Is A Popular Gsm Unit With A Serial Modem And Operates Within A Voltage Range Of 3.4V To 4.4V.


It has strong extension capability with abundant interfaces. Web click on a date/time to view the file as it appeared at that time. Sim800c designed by simcom is a quad band module which supports gsm/gprs.

Now It Is Ready To.


The baseband circuit is based on mtk and rf circuit is based on rfmd. Web module diagram schematic circuits circuit esp12 altium sim800c updated jan 16, 2021; Pcb prototype & open hardware for makers

It Is Designed For Use In Projects Where Transfer Of Data Is.


We have written the code so that after the esp32 is initialized it checks the module is working and gives the output in. #use serial to log in to the jetson nano terminal, install. 0 × 0 (185 kb):

With The Help Of This Document And Other Sim800C.


A serial monitor provides interference with arduino while. Web sim800c designed by simcom is a quad band module which supports gsm/gprs. Based on mtk and rf.

Web The Document Can Help Customer To Quickly Understand Sim800C Interface Specifications, Electrical And Mechanical Details.


The sim800l is a gsm module from simcom that gives any microcontroller gsm functionality, meaning it can connect to the mobile network to. Once the code is uploaded, go to tools > serial monitor then, change the settings as follows. Web connect the sim800c gsm/gprs hat to the jetson nano, press the pwrker key for two seconds, and then turn it on.