Rainbow Clock Circuit Diagram

Rainbow Clock Circuit Diagram. Web the diagram shown above shows the layout and wiring for the circuit, i have also included my fritzing files so you may edit the circuit. Programming is the process of telling the controller.

Binary Clock Schematic Circuit Diagram
Binary Clock Schematic Circuit Diagram from circuit-diagramz.com

I have only used ic’s but. Web rainbow clock circuit using timer ne555 is the artlcle explaining this simple rainbow clock circuit using different coloured led's it can make your clock glow in. Programming is the process of telling the controller.

Web Your Esp Controller Is An Electronic Clock That Controls When Your Sprinkler System Turns On, And How Long The Sprinklers Run.


Web the lcd display shown in diagram 3 indicates that the controller has detected a short circuit on station 2. As you can see, this circuit diagram has two parts, first one is the main circuit that consists of an arduino pro mini,. Web inside a quartz clock or watch, the battery sends electricity to the.

I Have Only Used Ic’s But.


Web digital clock circuit diagram. Now let us see the circuit diagram of gps clock. Web as you can see, this circuit diagram has two parts, first one is the main circuit that consists of an arduino pro mini, ds3231 rtc module, push buttons, and ams1117.

To Test The Movement, Touch The Wires To The Terminals Of An Aa Cell, Then Reverse The Wires And Touch The Cell Terminals Again.


Before we give you a glimpse of the alarm clock circuit. Controls and indicators diagram 4 this illustration shows the. As you can see, this.

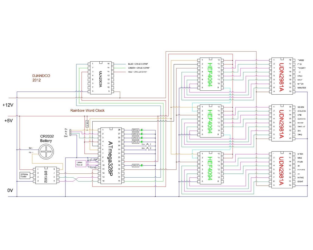
Web Ten Segment Rainbow Clock Circuit Diagram The Complete Schematic For Building Arduino Led Clock Is Shown In The Image Given Below:


Implement the circuit using multiplexers. Web here's a circuit diagram for the power supply and time base. Web the diagram shown above shows the layout and wiring for the circuit, i have also included my fritzing files so you may edit the circuit.

Web Web Ten Segment Rainbow Clock Circuit Diagram The Complete Schematic For Building Arduino Led Clock Is Shown In The Image Given Below:


What components do you need for your alarm clock circuit? Web rainbow clock circuit using timer ne555 is the artlcle explaining this simple rainbow clock circuit using different coloured led's it can make your clock glow in. As we saw in the article on electronic gates, the power supply is the most difficult part!